

目前,许多教室仍采用传统的照明系统,主电源经过配电箱分出多个支路,这些支路再分别向灯具供电,然后再通过串接在照明中的单双极开关来通断供电线路,因此,传统的控制系统只能通过开关来控制灯具,无法实现人性化、多功能化的系统管理。而当前大学校园规模随着受教育者的数量增加而不断扩大,教室的数量也大幅度增加。但由于大学开放型的管理模式,以及全员的节能意识的淡薄,高校的教室在白天室内光照强度很高的情况下,仍然普遍存在开灯作业;即使室内无人或人数很少的情况下,也是全部开启室内照明。高校的水电支出约占全校经费支出的1/4-1/5,电费支出占据较重比例。从节约资源、对社会贡献和节省高校经费支出多方面考虑,基于WiFi的教室智能照明系统不但满足了大数据量传输的通信需求,而且安全性能高和低功耗的性能,因此设计基于WIFI的可调LED照明系统,实现通过无线网络对照明灯具的亮度进行控制和管理。
文中设计的智能照明控制系统由终端控制节点、智能网关节点、手机智能终端等组成。终端控制节点作为受控设备,主要负责接受来自WiFi接入点转发的控制信息,实现对LED灯的控制。智能网关节点作为WiFi无线智能照明系统通讯的核心枢纽,主要为了实现协议的转换和AT指令的存储和转发。安卓手机智能终端则通过用户界面把行动指令和套接字送到WiFi节点,实现LED灯的控制。整个无线网络采用星型连接。系统整体框架如图1所示。
图1 基于WiFi的教室智能照明系统整体框架
教室智能照明系统能对教室内所有灯光进行监控和管理,终端控制节点替代传统的机械开关,利用单片机STC89C52产生一个PWM波实现对亮度控制。终端控制节点设计框图如图2所示。PWM调光(Pulse Width Modulation Dimming)实现脉宽制调光,通过利用频率超过100 Hz的亮度闪烁而肉眼难以发现的闪烁频率这一特性,只要通过控制LED灯开通和断开时间的占空比,来实现改变LED流过的平均电流,最终实现亮度的控制。采用WIFI通信模块来确保控制指令的可靠传输,提高数据传输可靠性。
图2 终端控制节点框图
微控制器是采用了MCS-51内核的STC89C51系列52单片机,MCS-51是8位CPU,具有性能高、成本低、功耗小的特点。STC89C52处理性能强大,低功耗、高性能CMOS8位微控制器;不仅满足了上述对MCU的所有需求,并且目前已经得到了非常广泛的应用,拥有较成熟的开发经验和技术的借鉴;其次存储器够大,给WiFi智能网卡驱动移植和TCP/IP协议移植提供支持。目前STC89C51系列开发最广泛和常用的开发环境是keil,使用熟练简单,开发工具和仿真工具采用SEGGER公司为支持仿真ARM内核芯片推出的JTAG仿真器,价格较低,降低了开发成本。
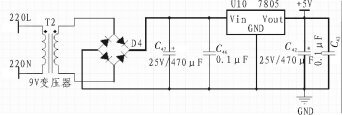
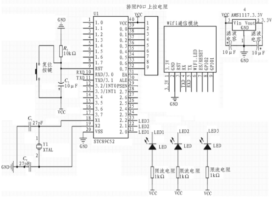
其中,STC89C52采用5 V的供电电压。其电源电路原理图如图3所示。直流稳压电源通常由四部分构成:变压器降压模块、整流电路、滤波电路以及稳压电路。将220 V的交流电通过降压变压器进行降压后,再通过单相桥式整流电路得到脉动的直流电压,然后通过滤波电容得到纹波系数较小的直流电压,最后通过三端稳压芯片LM7805获得稳定的5 V直流电压。
图3 5 V电源电路
其中,WIFI模块采用HLK-M35,采用海凌科电子推出的嵌入式UART-WIFI模块,它应用广泛,集成度高、体积小、通信稳定,而且价格低,具有很高的性价比。模块采用基于通用串行接口,完全是符合网络标准的WiFi嵌入式模块,其中已经内置TCP/IP协议栈,能够实现在用户串口-无线网(WIFI)之间转换。由于HLK-M35WiFi模块是3.3 V完成正常供电的,因此将电源VCC转换为合适的电压3.3 V输出,图4中右侧为该模块的电源驱动模块。另外,由于HLK-M35模块对于用户单片机,只需把它当成普通串口使用,不需用户驱动。
STC89C52与HLK-M35之间采用SDIO口通信,将数据传输和指令的传输、时钟控制的通道各自专属传输线独立起来,采用的数线传输有4条,相比较SPI口速率更快,通信更稳定,甚至最高速率会达到100 Mbit/s。MCU具备基本的TCP/IP功能是因为移植开源的LWIP协议栈,而且LWIP协议资源较TCP/IP消耗低,仅仅是40 KB左右的ROM和相同数量级的RAM。当然该协议支持在无操作系统的嵌入式平台上运行,它实现的TCP功能有RTT算法、传阻塞控制等,实现拓展了UDP的功能。很大程度提高了系统通信的稳定性以及提高了应用程序性能。基于WiFi的智能照明控制器总电路图如图4所示。
图4 基于WiFi的智能照明控制电路
HLK-M35模块是使用AT+指令集方式配置。而AT+指令集方式是用户人工通过串口输入命令来配置参数的。HLK-M35模块向使用用户提供了3个GPIO引脚,这3个GPIO功能引脚不仅可以通过udp控制还可以使用AT指令读写控制。
GPI000功能:输出高低电平,输入高低电平;特点:通过AT命令控制读写;类型:I/O;
GPI001功能:输出高低电平,输入高低电平;特点:通过AT命令控制读写;类型:I/O;
GPI002功能:输出高低电平,输入高低电平;特点:通过AT命令控制读写;类型:I/O;
AT指令控制示例:
AT+GW=0,1--GPI000输出高电平
AT+GR=2,?--查询GPI02输入电平
HLK-M45上电后,进入透传模式,用户通过串口命令把透传模式切换到AT命令模式进行配置。当正常上电后,HLK-M35模块会先检查当前的网络串口配置正常与否,是的话,则模块自动进入透传模块;否的话,则模块进入AT指令模式。透传模式进入AT指令模式:在任何状态下,拉低模块第33脚也就是ES/RST脚的时间大于0.5 s并且小于5 s,HLKM35模块立即进入AT指令模式。如果拉低时间大于6 s,则是恢复默认设定。当发送at+TS=1命令,进入透传模式的方法。
HLK-M35模块可以实现收发网络数据利用AT指令的特殊功能。这收发网络数据功能是通过socket相关指令实现。流程:
1)Socket open
2)Socket write
3)Socket read
4)Socket list
5)Socket close
在AT模式下,对系统参数配置,给串口发送的指令格式如下:
at+[command]=[value]\r
需要知道\r,否则会认为错误的at指令。
不同的命令模块会依根据不同返回不一样的返回值。
设计中利用STC89C52单片机产生一个PWM波。初始化P1.0=1,当T0、T1两个定时器同时打开,在定时器T1中断时就将P1.0拉低,在T0中断时再将P1.0拉高,同时将这两个定时初始值初始化,T0为65 536~1 000 ,T1为65 536~200。设定一个定时,如果设置周期是500 μs,那么,用count控制占空比,如果占空比是实时变化的,那么用一个变量代替count就可。
PWM调光其实就是通过调节可变占空比的方波信号来实现不同的亮灯模式,半夜灯的占空比为100%,1/2的占空比为50%,1/3的占空比为33%,1/4的占空比为25%。当接收到调光命令时,PWM波上升沿中断,设置定时器的时间等于高电平时间,然后提供PWM信号,可以按照所需调光模式来进行调节PWM的占空比,当定时器中断时,该亮灯模式也随之关闭。
在无线组网设置中,HLK-M35模块既可以配置成一个无线STA,还可以配置为AP。为了实现串口转WiFi STA和串口转WiFi AP。AP,即是一个无线网络的中心节点的无线接入点。其实,通常使用的无线路由器也是一个AP,而且,其他无线终端也是可以通过AP相互连接的。STA,是一个无线网络的终端就是无线站点,不如PDA。
HLK-M35模块工作在STA的模式下。这是一种基本组网方式,由一个AP和多个STA组成。其特点是AP作为无线网络的中心节点,所以AP处于中心地位,而通过AP转发实现STA相互之间的通讯。在STA模式下,WiFi模块的工作主要在STA(CLIENT)模式。在适当设置后,COM的数据实现与WiFi的网络数据的互相转换。当工作在AP的模式下,手机、电脑等设备就能够实现直接连上模块,可以很方便实现对用户的受控设备进行监控。
APP主要包含的功能模块包括:WiFi设备搜索与匹配,灯光的打开和关闭功能,调节灯光的亮度。
而在智能手机终端,当打开APP时,手机会自动检测WiFi是否已经打开,是的话则会查找设备,否则会退出程序;当查找设备时,没有找到设备则会继续查找,直到找到为止,找到设备则会连接匹配;匹配成功则可以选择功能并控制实现,然后退出程序。程序流程图如图5所示。
在WiFi配对成功后,用户进入了APP的功能界面,可以看到选择所想要控制的地方,选择完成后,可以进入所选地方界面的控制界面,在这里,可以选择灯光的开启和关闭。这样就可以完成智能地控制灯光的开启与关闭。其次,针对选择控制的灯管,选择灯光的亮度调节,这样就可以完成智能地控制灯光的亮度,并调节。
图5 智能灯光手机软件流程图
调试步骤如下:
1)系统上电,在利用手机在外部搜索WiFi,连接上WiFi信号名为“cmj”的信号,以及输入已经预设好的输入密码是“11118888”,连接上之后。通过安装手机WiFi控制LED的APP软件,手机智能终端与每个灯控节点接入WiFi网络。
2)启动手机APP,初始化完成后,手机终端向接入点发送指令,实现开光LED或者是调节LED灯的亮度,实验以3个LED代替教室灯管完成;
3)受到指令后向灯控节点实现数据的传递,方式是广播,灯控节点会遵守规定好的格式提取设备的编好的号码,进行匹配与自己的编号对应的编号。
4)成功匹配编号后,开关指令或者调光值会进而通过单片机实现脉宽制调。安卓手机WiFi控制LED的APP软件界面,如图6所示。通过app完成了对LED的开关和亮度调节。
图6 APP软件界面
随着社会经济和科学技术的发展,然而与日俱增的能源需求和有限的资源数量形成了巨大的矛盾。课题针对教室灯光控制不完善的问题,设计基于WiFi的教室照明系统,在保证照明质量的前提下,对教室灯光进行自动控制,不再单一的依靠传统的控制方式,增强了节能效果,这样多模式控制方式使系统使用更加灵活,便捷。